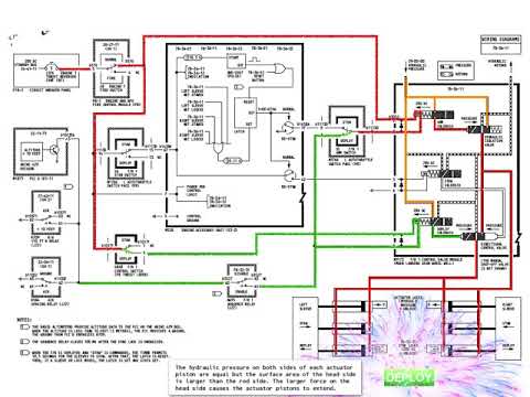
Extend To extend the T/R sleeves you put the reverse thrust lever in the reverse thrust interlock position. This causes three control signals to go to the TRAS. These are the effects of the control signals: - The SLV opens and supplies hydraulic control pressure to release the sync locks. - The directional control solenoid valve opens and supplies hydraulic control pressure to the DCV. This moves the DCV to permit hydraulic power to go to the extend and retract sides of the actuators. - The isolation valve opens and supplies hydraulic pressure through the DCV to the actuators. Hydraulic pressure to the actuators releases the locking actuators and moves the sleeves to the aft (extended) position. Retract To retract the T/R sleeves you put the reverse thrust levers in the forward thrust position. This causes two control signals to go to the TRAS. These are the effects of the control signals: - The signal to open the SLV is removed. A time delay circuit in the ELMS keeps the sync lock solenoid valve energized. This keeps the SLV open and the sync lock unlocked. The sync locks stay unlocked until the time delay is complete.- The directional control solenoid valve closes and removes the hydraulic control pressure to the DCV. This moves the DCV to permit hydraulic power to go to the retract side of the actuators. - The EEC begins a time delay before closing the isolation valve. The isolation valve stays open and supplies hydraulic power through the DCV to the actuators. The isolation valve closes when the time delay is complete Hydraulic power to the retract side of the actuators moves the T/R sleeves to the forward (retracted) position.











